吸湿剤入りエアブリーザー
交換時期はシリカゲル吸湿剤の変色により視認可能
NEW MODEL! DBEシリーズ 交換式 吸湿剤入りエアブリーザー
産業界は常に進化しており、吸湿剤入りエアブリーザーの重要性は高まっています。変圧器では土壌からの湿気を防ぎ、ディーゼルエンジンやギアボックスではエンジンオイルやギアオイルの湿気を防ぎ、燃料タンクやオイルタンクでは燃料や作動油への湿気の侵入を防ぐ為に、吸湿剤入りエアブリーザーは活躍しています。ほんの一例ですが、湿気や汚染物質による損傷・汚染を防ぐ為に、幅広い用途で使用できます。
吸湿剤入りエアブリーザーは、水分と粒子という 2 つの汚染物質の侵入を防ぐために機械に取り付けられる多層構造の吸着濾過材です。ギアボックス、ポンプ、オイルタンクなどの機器は、温度変化や油圧システムの場合はオイルレベルの変化、流入する流体が空気を押しのける、または油圧機器が作動中に、空気が膨張したり収縮したりする際に「呼吸」する必要があります。油圧機器が「呼吸」するたびに、汚れ、破片、湿気が持ち込まれ、潤滑油・作動油が汚染され、時間の経過とともに機器が損傷します。油汚染の少なくとも半分は機械の外部から来ることがわかっており、殆どの機械は「呼吸」するように設計されているため、これらの汚染物質を発生源で止めることが賢明です。
汚れ、ほこり、特に水分による汚染は、機械が「呼吸」する際に入り込みます。水分で汚染されたオイルは、時間の経過とともに添加剤の劣化、オイルの酸化、機器の錆や腐食を引き起こし、機械設備の寿命を縮めます。吸湿剤入りエアブリーザーは、水分やゴミを軽減し、汚染を大幅に減らし、機械や装置の寿命を延ばしダウンタイムの頻度が減り、小さな投資で大きなコスト削減が可能となります。


シュローダー社の交換式 吸湿剤(シリカゲル)入りエアブリーザーは、湿気や粒子の汚染から油圧システムや様々なタンク/貯蔵庫を保護することによって品質維持と同時にコストを削減することができます。
液面が低下し、システム内で圧力の変化が発生すると、湿った空気がエアブリーザー内に取り込まれます(呼吸をする様なイメージ)。シリカゲルチャンバー内で最大効率を確保するために、空気中の固体汚染物質は2ミクロンプリーツフィルターを通過するする際に捕獲されます。空気中の水蒸気は、シリカゲルによって吸収され、タンク/貯蔵庫に再流入するろ過された空気には、水分や汚染物質が含まれていないクリーンエアだけが環流されます。
新しいブリーザードライヤーDBE (長寿命モデル) は当初、風力産業向けに開発されましたが、現在では一般産業向けに広くご使用いただいております。本モデルの特徴は、保水力と吸水感度の異なる2種類の吸収剤シリカゲルを収納する2つの分離チャンバー構造です。ベースユニットには、吸収材を保護するために底部に4つの逆止弁が一体化されており、万が一、圧が掛かった際にもエアがバイパスされて外部に逃す仕組みとなっております。
面積の広いプリーツ形状のフィルターにより、フィルターの汚れ保持力がアップし、長寿命化を実現しました。
赤色のシリカゲルは水分を吸収するとオレンジ色に変色し、吸水上限容量に達したことで、交換時期が視認できます。
DBEシリーズは、4つの逆止弁を持ったベースユニットと、交換用 吸水カートリッジ(2ミクロンエアフィルター付き)に分かれており、設置容量に合わせて下記3モデルよりお選びいただくこととなります。




DABシリーズ 使い切り 吸湿剤入りエアブリーザー

吸水量に応じて緑色に徐々に変色していきます。完全に緑色に変色した時点で交換となります。
Schroederシュローダー社製吸湿剤(乾燥剤)入りエアブリーザーは、機械装置や原材料粉粒体を湿気や粒子系コンタミから保護することによって経費削減・生産向上をサポートします。
タンク内の圧力変化が生じ、湿った空気が下の図で示すように吸い込まれ、2ミクロンろ材・拡散材を通り、そしてシリカゲルを通過する際に湿気が吸水され、乾いた空気は二番目の2ミクロン汚染物質フィルタで更に浄化される構造となっております。(双方向エアフロー対応ブリーザー)
湿気や汚染物質の無い【ろ過されたクリーンエア】だけがタンク内にアクセスできる仕組みとなっており、吸収された湿気とろ過された汚染物質は再流出することなく、ブリーザー内に閉じ込められます。(使用環境最大温度は93℃)

■ 吸湿剤入りエアブリーザー・モデル/仕様
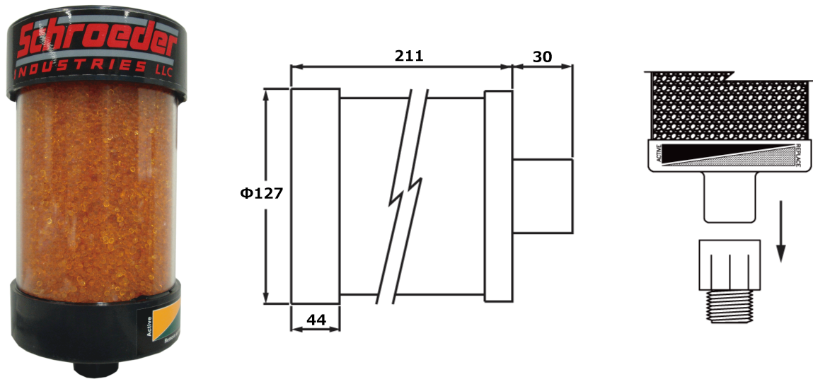
モデル:DAB-2
▶︎ 流量:20 SCFM(34m3/時間) 重量:0.3kg 吸水量:0.1L 取付:アダプタR3/4"(本体NPT)、本体材質:ABS、プレキシガラス

モデル:DAB-4
▶︎ 流量:35 SCFM(59m3/時間) 重量:1.5kg 吸水量:0.5L 取付:アダプタR1"(本体φ33)、本体材質:ABS、プレキシガラス

モデル:DAB-8
▶︎ 流量:100 SCFM(170m3/時間) 重量:2.2kg 吸水量:0.7L 取付:アダプタR2"(本体NPT)、本体材質:ABS、プレキシガラス

シュローダー社製 フィルターハウジング/エレメント

シュローダーハウジング
(リリーフ弁内蔵)

シュローダー
VZシリーズ

シュローダー1/3/5/10/25um
アブソリュートフィルター